簡介:
COPPUS Ventilators翼片軸流式與離心式機種(VAC4、CAC4),可搭配電動氣動式馬達使用;危險環境專用機種(CEP4、VEP4)為地下設施作業及輕工業有限空間作業較佳通風設備。本型通風機可多用途使用,堅固耐用,設計輕巧,送風效能較好,外殼為非腐蝕性聚合材質,不易損壞。適用地下管道作業及有限空間作業,并提供多種機型選擇。
特色:
翼片軸流式:
?專利入風口轉換接頭,可將此裝置換成高性能的煙霧排除機。
?聚丙烯外殼,耐火等級為UL 94-5VA。
?葉片為玻璃纖維聚酯樹脂材料,防火花設計。
?可選用電動驅動或壓縮空氣驅動。
?可選配8"伸縮風管使用。
?可選用風管存放管。
?噪聲值78 dBA。
離心式:
?送風量及壓力效能較好。
?聚丙烯外殼,耐火等級為UL94 - 5VA。
?葉片為玻璃纖維聚酯樹脂材料,防火花設計。
?可選配8”伸縮風管使用。
?葉軸可調整為45, 90及180°送風位置。
?噪聲值88 dBA。
危險環境專用:
?外殼與組件皆為傳導性聚合材料制成,可安全排除靜電。
?電動馬達符合NEC Class 1,Division 1,Group D及Class II ,Division1,Groups E,F,G.規格。
?葉片為玻璃纖維聚酯樹脂材料,防火花設計。
?可提供翼片軸流式和離心式機型。
?可提供電動驅動或壓縮空氣驅動。
規格參數表:
|
機型 |
傳動裝置 |
馬達 |
HP |
重量 |
自由風 |
90°彎曲性能 |
|||||||
|
|
|
|
|
lbs |
kg |
cftn |
m3/hr |
1-90° |
2-90° |
3-90° |
|||
|
|
|
|
|
|
|
|
|
cfm
|
m3/hr
|
cfm
|
m3/hr
|
cfm
|
m3/hr
|
|
VAC4 |
Electric-220V50HZ |
TE |
1/2 |
35 |
16 |
804 |
1,358 |
730 |
1,240 |
720 |
U23 |
710 |
1,206 |
|
VEP4 |
Electric-220V50HZ |
EP |
1/2 |
35 |
16 |
804 |
1,358 |
730 |
1,240 |
720 |
1,223 |
710 |
1,206 |
|
CAC4 |
Eledric-220V50HZ |
TE |
1/2 |
35 |
16 |
845 |
1,428 |
717 |
1,218 |
704 |
1,196 |
692 |
1,176 |
|
CEP4 |
Electric-220V50HZ |
EP |
1/2 |
35 |
16 |
845 |
1,428 |
717 |
1,218 |
704 |
1,196 |
692 |
1,176 |
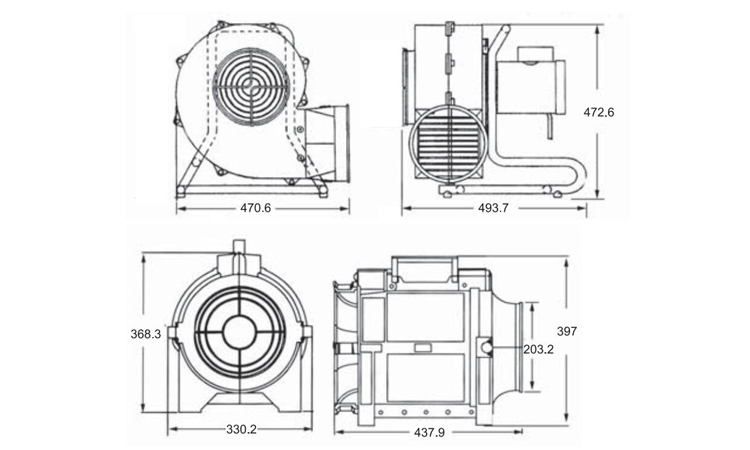
結構圖:

使用現場:
適用行業:
Coppus便攜式散熱降溫鼓風機為各行業提供一個可靠安全的空氣供應及交換系統,特別針對密閉空間操作中的工序及機械冷卻及人員降溫,以改善總體生產效率及操作安全。
噴涂和噴漆:干燥及固化,排煙、供應新鮮空氣,保證舒適安全的工作環境;
鋼廠高溫操作車間:工序冷卻、人員降溫;
電力以及燃氣應用:地下通風、設備冷卻,排煙;
造紙廠:密閉空間通風,人員降溫;
造船廠:定位焊接作業過程排煙,供應新鮮空氣;
船舶:船艙換氣;
煉油廠:設備冷卻,密閉空間通風,人員降溫;
化工廠:排煙、通風、人員降溫;
食品加工處理:排煙、工序冷卻;
發電:密閉空間通風、人員降溫;
COPPUS通風機型號大全:
1、Double Duty Heat Killer
COPPUS-DDHK-18K03D、COPPUS-DDHK-24K07D、COPPUS-DDHK-24K10D、COPPUS-DDHK-30K30D
2、Jectair Hornet
COPPUS-Jectair-3S-HP、COPPUS-Jectair-3-HP、COPPUS-Jectair-6-HP、COPPUS-Jectair-8、COPPUS-Jectair-9
3、Reaction Fans
COPPUS-RF-12、COPPUS-RF-16、COPPUS-RF-20、COPPUS-RF-24
4、CADETS
COPPUS-VAC4(普通)、COPPUS-VEP4(防爆)、COPPUS-CAC4(普通)、COPPUS-CEP4(防爆)
5、VANO
COPPUS-175CV、COPPUS-250CV
6、COPPUS-Air Max-12
7、TA16
COPPUS-TA16-5000、COPPUS-TA16-5500
8、Portavent
COPPUS-PV-500、COPPUS-PV-750、COPPUS-PV-1000
9、Ventair
COPPUS-TM-4、COPPUS-TM-5、COPPUS-TM-6、COPPUS-TM-8、COPPUS-TM-9
聯系人:沈先生
手 機:133-7212-5666
郵 箱:China@swn.cn
公 司:蘇州薩沃納
地 址:江蘇省昆山市慶豐西路555號